凱德技術資料
聯系我們
- 聯系人:郭經理
- 傳真:010-69552656
- 電話:400-0346-119
- 電話:010-57113119
- 郵箱:506665119@qq.com
- 地址:北京通州區新華北路117號
凱德J-SAP-M-GS8030手動火災報警按鈕
時間:2018-11-01 13:57:36 品牌:
![[!--oldtitle--]](/d/file/baojingshebei/2018-11-01/5f7f0ea3c90d1d8a9a3c55603df29471.jpg)
一、凱德J-SAP-M-GS8030手動火災報警按鈕產品概述
J-SAP-M-GS8030手動火災報警按鈕安裝在公共場所,本報警按鈕含消防電話插孔。當人工確認發生火災后,按下報警按鈕上的按片,即可向控制器發出報警信號,控制器接收到報警信號后,將顯示出報警按鈕的編碼信息并發出報警聲響,將消防電話分機插入電話插孔即可與消防電話主機通訊。本手動火災報警按鈕主要具有以下特點:
(1)采用拔插式結構設計,安裝簡單方便,按鈕上的按片在按下后可用專用工具復位。
(2)采用微處理器實現信號處理,用數字信號與控制器進行通信,工作穩定可靠,對電磁干擾有良好的抑制能力。
(3)地址碼為電子編碼,可現場改寫。
(4)帶消防電話插孔。
二、J-SAP-M-GS8030手動火災報警按鈕主要技術參數
| 型號 | J-SAP-M-GS8030 |
| 工作電壓 |
信號總線電壓:24V 允許范圍:16V~28V |
| 工作電流 |
監視電流≤0.22mA 報警電流≤1.0mA |
| 線制 |
與控制器采用無極性信號二總線連接 與GS-FP-864消防電話插孔接口采用二線制連接 |
| 使用環境 |
類型:戶內 溫度:-10℃~+55℃ 相對濕度:≤95%,不凝露 |
| 外形尺寸 | 90.5mm×90.5mm×35mm |
| 外殼防護等級 | IP40 |
| 執行標準 | GB19880-2005 UL38 |
三、J-SAP-M-GS8030手動火災報警按鈕結構特征、安裝與布線
J-SAP-M-GS8030報警按鈕的外形示意圖如下圖所示。

報警按鈕的外接端子示意圖如下圖所示。

其中:Z1、Z2:信號總線,與報警控制器的信號總線連接,無極性。
T1、T2:消防電話線,與GS-FP-864消防電話插孔接口的E1、E2連接,無極性。
布線要求:信號總線采用RVS雙絞線,截面積≥1.0mm2;消防電話線采用RVVP屏蔽線,截面積≥1.0mm2。
手動火災報警按鈕安裝時只需拔下報警按鈕,從底殼的進線孔中穿入電纜并接在相應端子上,再插好報警按鈕即可完成安裝,安裝孔距為60mm。報警按鈕安裝采用進線管明裝和進線管暗裝兩種方式,安裝示意圖如下所示。

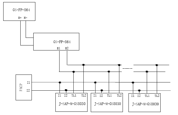
四、J-SAP-M-GS8030手動火災報警按鈕應用方法
作為手動火災報警按鈕使用時,將報警按鈕的總線端子Z1、Z2直接接入火災報警控制器總線上即可。
作為手動火災報警按鈕及消防電話插孔使用時,將報警按鈕的總線端子Z1、Z2直接接入火災報警控制器總線上,同時將報警按鈕的T1、T2端子與GS-FP-864消防電話插孔接口的E1、E2連接,具體如下圖所示。








