金鼎技術資料
聯系我們
- 聯系人:郭經理
- 傳真:010-69552656
- 電話:400-0346-119
- 電話:010-57113119
- 郵箱:506665119@qq.com
- 地址:北京通州區新華北路117號
金鼎JDXT-Y-1防爆點型感煙火災探測器
時間:2018-10-09 10:22:23 品牌:
![[!--oldtitle--]](/d/file/baojingshebei/2018-10-09/ac2e1fa1b3aa6ef615b2564115d09d21.jpg)
一、JDXT-Y-1防爆點型感煙火災探測器概述
JDXT-Y-1型防爆感煙火災探測器是非編碼開關型(繼電器輸出)探測器,可以和國內外任何廠家的火災報警控制器配套使用。
當現場煙霧濃度超過設定的閾值時,探測器指示燈常亮,向控制器發出報警信號。只有在系統復位或暫短掉電且又重新上電后,指示燈才恢復閃爍(巡檢)狀態。
JDXT-Y-1防爆點型感煙火災探測器符合GB3836.1-2000《爆炸性氣體環境用電氣設備第1部分:通用要求>>、GB3836.2--2000《爆炸性氣體環境用電氣設備第2部分:隔爆型”d”》及GB3836.4--2000《爆炸性氣體環境用電氣設備第4部分:本安型”i”》的標準要求。適用于石油、化工、軍工、冶金、制藥等行業中含有易燃易爆混合氣體的場所。經--指定的檢驗單位檢驗合格,取得了--級防爆合格證書。
二、JDXT-Y-1防爆點型感煙火災探測器特點
JDXT-Y-1防爆點型感煙火災探測器采用新型的散射技術及進口光電器件,提高了傳感器的可靠性、穩定性和一致性,并采用獨特的迷宮設計,防蟲、防塵、抗外界光線干擾性能良好。結構新穎、外形美觀、性能穩定可靠、抗潮濕性強。
JDXT-Y-1探測器已配接了JDAS型安全柵。安全柵采用電阻性、晶體管雙重化電子開關電路,啟控速度快,并可自動復原。
三、JDXT-Y-1技術特性
防爆形式 :本安-隔爆復合型
防爆標志:Exd(ib)IIBT6
環境溫度:-10℃~+55℃
相對濕度:≤95%(不凝露)
大氣壓力:80~110KPa
工作電壓:DC24V±4V
靜態電流:≤120uA
報警電流:10mA≤I≤30Ma
響應閾值:0.10dB/m~0.27dB/m
報警復位:瞬間斷電(10sMin,DC2.5VMax)
上電時間:≤10s
-高風速:7.6m/s(1500fpm)
報警確認燈:紅色,正常監視時周期性閃亮,報警時常亮。
安全柵參數:Ui=28VDC;Ii=60mA
保護面積:當空間高度為6m~12mm,一個探測器的保護面積,對一般保護現場而言為80㎡,空間高度為6m以下時,保護面積為60㎡。
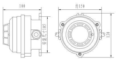
外形尺寸:170×120×93mm
安裝尺寸:104mm
重量:1.55kg
四、JDXT-Y-1結構特征及工作原理
1.探測器外形示意圖如圖1所示。

圖1 探測器外形示意圖
2.工作原理
探測器采用紅外線散射原理探測火災,電路主要有紅外線發射部分和接收部分組成,發射管與接收管置于光學暗室中,光學暗室可屏蔽外界雜散光干擾,但不影響煙塵進入。在無煙狀態下,只接收很弱的紅外光,當有煙塵進入時,由于散射作用,使接收光信號增強,當煙塵達到一定濃度時,可輸出報警信號。為減少干擾及降低功耗,發射電路采用間歇方式工作,可提高發射管使用壽命。
報警輸出信號采用開關量(繼電器無源觸點)方式,可以和國內外任何廠家的火災報警控制器配套使用。







