聯系我們
- 聯系人:郭經理
- 傳真:010-69552656
- 電話:400-0346-119
- 電話:010-57113119
- 郵箱:506665119@qq.com
- 地址:北京通州區新華北路117號
泛海三江JTY-GD-930K點型光電感煙火災探測器
時間:2018-10-31 09:47:50 品牌:
![[!--oldtitle--]](/d/file/baojingshebei/2018-10-31/095cd8179d7553381b3f2d9db297aac4.jpg)
JTY-GD-930K點型光電感煙火災探測器是兩線制開關量(電流型)感煙探測器。探測器內置微處理器,采用無極性兩線制連接,可應用在相兼容的傳統開關量(電流型)報警控制系統和監控報警系統中,也可通過輸入模塊接入智能型火災報警控制系統中。探測器實時采集現場煙霧濃度數據,達到閥值時探測器報警(探測器工作電流數量級增大)。
二、JTY-GD-930K點型光電感煙火災探測器特點單片機實時采樣處理數據、并能保存144條歷史數據,跟蹤現場情況?! ?/p>
具有溫度、濕度、及灰塵積累漂移補償功能,自動修正相關參數,適應各種工作環境。
采用上、下蓋結構設計,獨立底座安裝,安裝、調試、維護簡單方便。
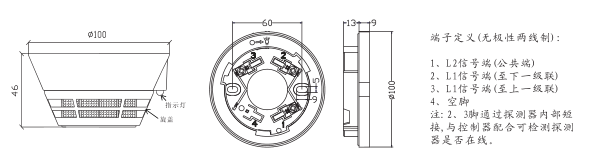
三、JTY-GD-930K點型光電感煙火災探測器外形尺寸
型號:JTY-GD-930K
執行標準:GB4715-2005《點型感煙火災探測器》
工作電壓 :DC24V±20%
工作電流:監視狀態<50uA,動作狀態<1mA~20mA(與回路限流電阻有關)
工作指示 ?。杭t色狀態指示燈(巡檢時閃亮,報警時常亮)
重量?。杭s100g
殼體材料:ABS,白色
外形尺寸 :直徑100mm,高55mm(帶底座)
接線方式?。簾o極性兩線制(L1、L2)
使用環境:室內,溫度-10℃~+55℃,相對濕度≤95%(40℃±2℃無凝露)
安裝高度?。?le;12m
保護面積:80m²,具體參考國標GB50116《火災自動報警系統設計規范》中相關規定
配接主機:傳統開關量(電流型)報警控制器,或通過輸入模塊與9000、9100系列控制器或JB-QBL-MN/300、JB-QBL-MN/310控制器配套使用







